服务热线

| ltems | Standard | |
| Operating temperature range | -40℃ to +85℃ | |
|
Electrical performance |
Rating | 1.Resistive Load:15A 125/250VAC,15A 28VDC. |
| 2:Inductive load:15A 28VDC | ||
| Insulation resistance | 100MΩ min.100V DC | |
| Dielectric strength | 1500V AC for 1 min. | |
| Contact resistance | 20mΩ max. | |
| Durability | mechanical life | 100,000Cycles |
| Front seal | IP68 | |
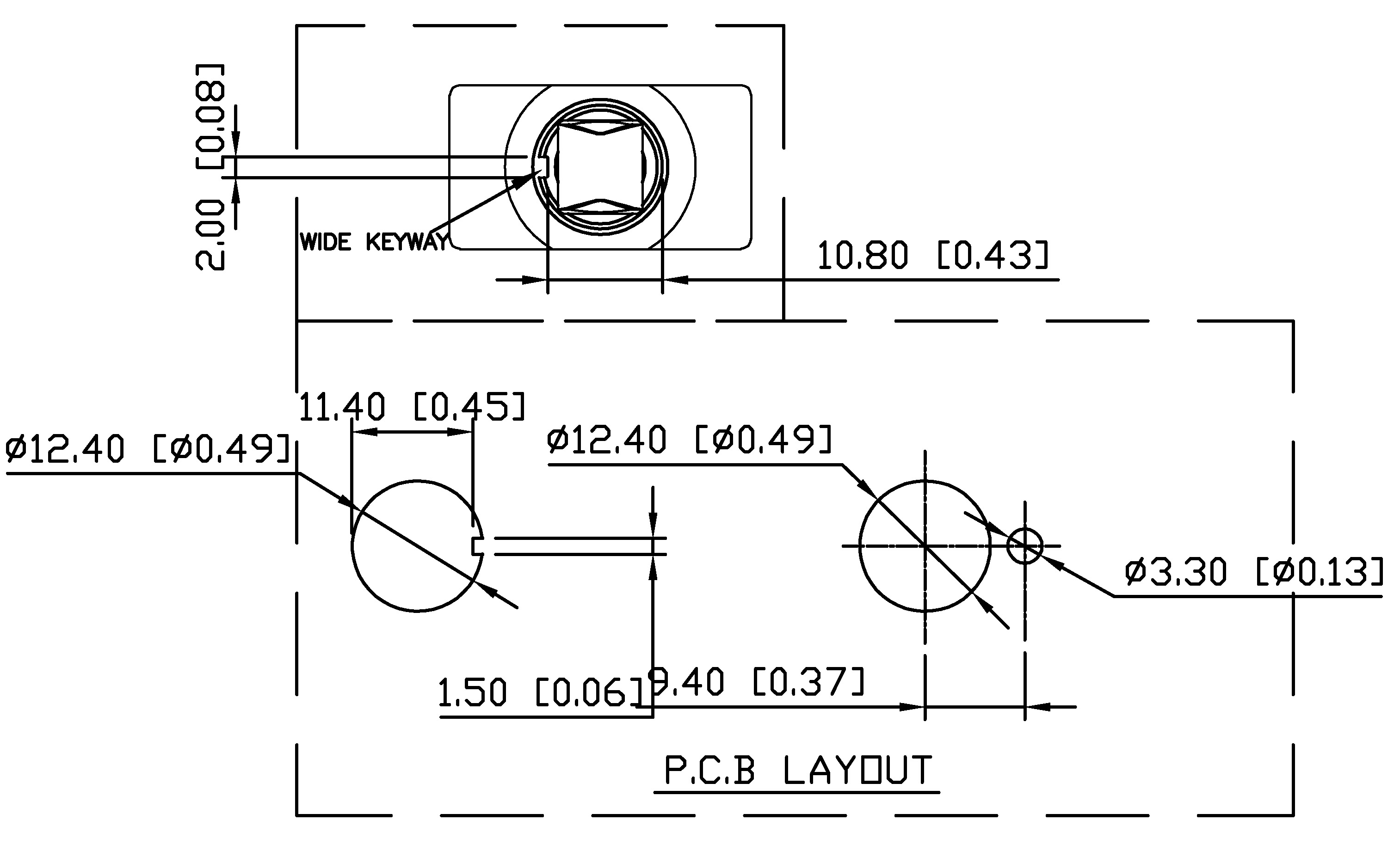
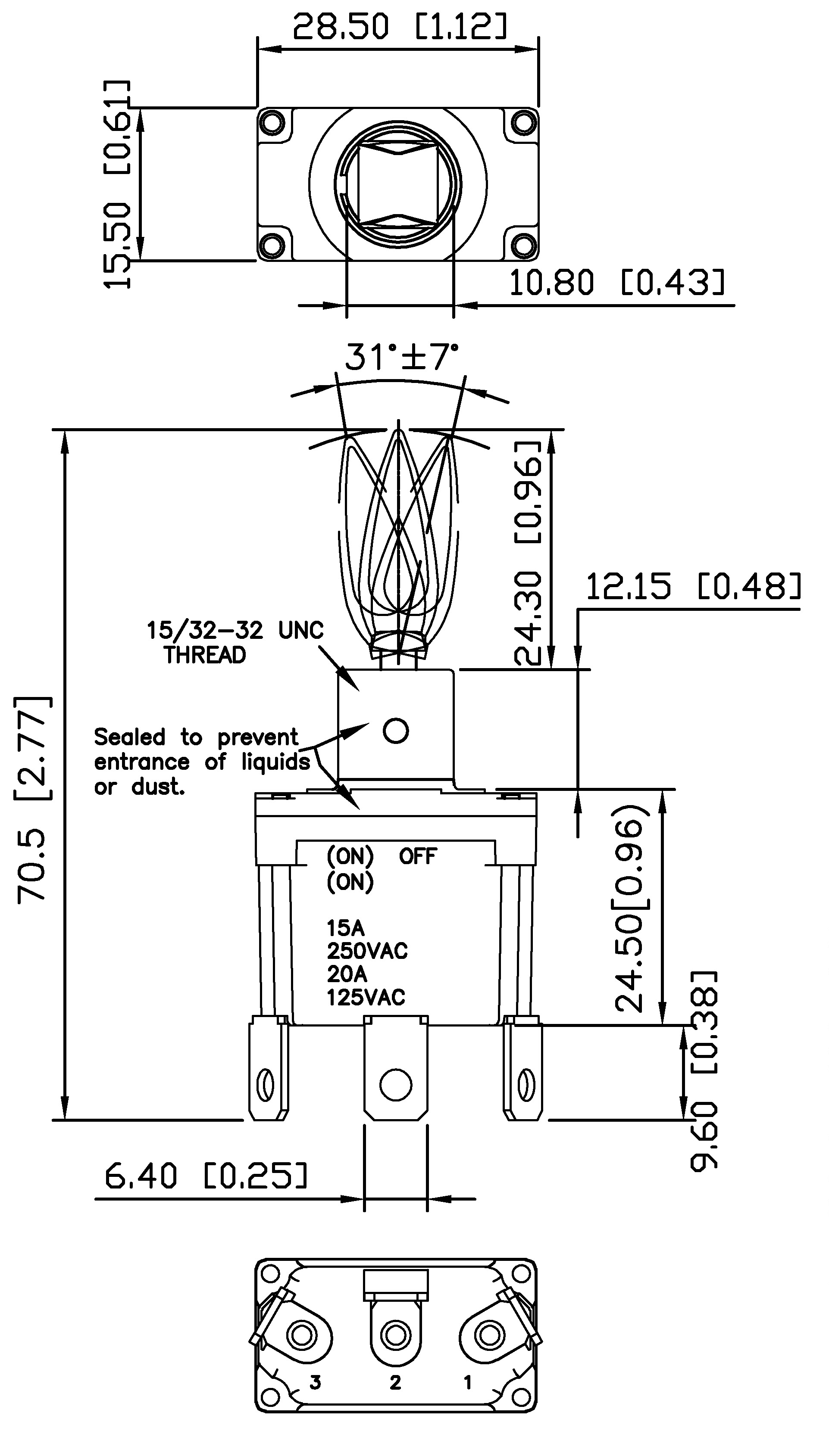
| Proudcts | Dimensions | Circuit Diagram |
| Pad Layout | ||
![]() |
![]() |
![]() |