服务热线

| ltems | Standard | |
|
Electrical performance |
Insulation resistance | 100MΩ min. |
| Dielectric withstanding | 500V AC min. | |
| Contact resistance | 50mΩ max. | |
| Durability | Durability | 5,000 Cycles |
|
Mechanical performance |
Connector mating forces | 3~30N |
| Connector unmating foces | 3~30N | |
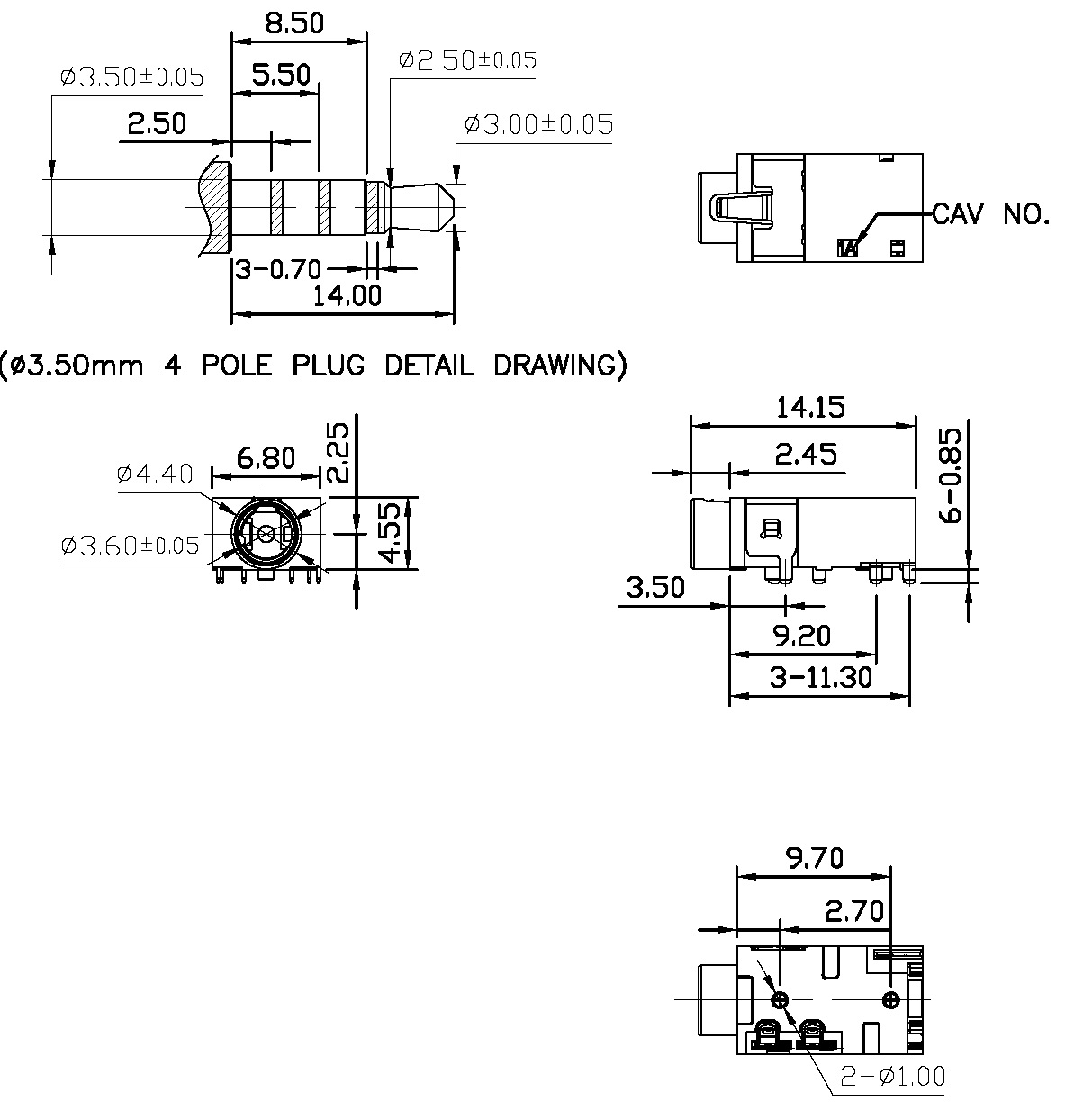
| Proudcts | Dimensions | Circuit Diagram |
| Pad Layout | ||
![]() |
![]() |
![]() |